ELS037
Real Time:
5
Visitor right now
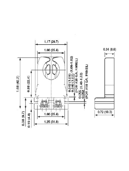
Montage à vis et écrou (écrou inclus)
SPÉCIFICATIONS
* Douille pour fluorescent bi-pin, modèle court, montage à vis et écrou (écrou inclus)
Montage à vis et écrou (écrou inclus)
SPÉCIFICATIONS
* Douille pour fluorescent bi-pin, modèle court, montage à vis et écrou (écrou inclus)