copy of ELS047
Real Time:
5
Visitor right now
Montage à vis ou glissière a ressort
SPÉCIFICATIONS
* Douille a ressort pour fluorescent "H-O", modèle long (vertical), montage à vis ou glissière
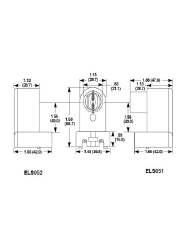
Montage à vis ou glissière a ressort
SPÉCIFICATIONS
* Douille a ressort pour fluorescent "H-O", modèle long (vertical), montage à vis ou glissière