ELS131
Real Time:
5
Visitor right now
Butt-on or bracket mounting spring type
SPECIFICATIONS
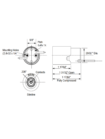
* Fluorescent slimline spring type socket, with wires, butt-on or bracket mounting
Butt-on or bracket mounting spring type
SPECIFICATIONS
* Fluorescent slimline spring type socket, with wires, butt-on or bracket mounting