ELS092
Real Time:
5
Visitor right now
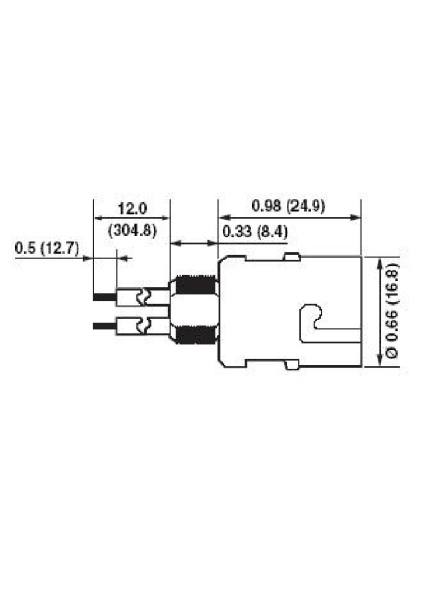
Halogen socket with bayonet base
SPECIFICATIONS
* Halogen socket with bayonet base, 1/8"ips threaded nipple and "BA15D" wires
Halogen socket with bayonet base
SPECIFICATIONS
* Halogen socket with bayonet base, 1/8"ips threaded nipple and "BA15D" wires